|
FERCOFERCO

Série Décéna SAV - hauteur maxi 2653 mm

Réf. : 483
, *
Au lieu de
Eco-part
Dont écotaxe :
Sûreté multipoints à larder
Fermeture latérale
Partager la page
Point(s)
Vendu par :
Quantité minimum :
Voir disponibilité en magasin
Faites votre choix
Photo
Caractéristiques
Quantité
P.U
Action
Ref.483FER085
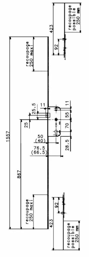
Axe à 40 mm - coffre 173 x 66,5 x 14,5 mm
Conditionnement : 1
1 crémone de 1557 mm2 prolongateurs à galet de 423 mm1 rallonge de 25 mm - Axe à 4 mm - coffre 173 x 66,5 x 14,5 mm
-
+
En stock (414 u.)
163,09 € TTC
Ref.483FER095
Axe à 50 mm - coffre 173 x 76,5 x 14,5 mm
Conditionnement : 1
1 crémone de 1557 mm2 prolongateurs à galet de 423 mm1 rallonge de 25 mm - Axe à 5 mm - coffre 173 x 76,5 x 14,5 mm
-
+
En stock (372 u.)
163,09 € TTC

Description

Têtière 18 mm, recoupable en partie haute et basse Le verrouillage s'effectue en trois points par relevage de la béquille, ce qui permet également de dégager la poignée pour ouvrir l'oculus La condamnation est assurée par un cylindre de profil européen Pêne 1/2 tour réversible Ajustable à l'aide des prolongateurs et des rallonges

Liste des avis

Aucun avis n'a été enregistré pour le moment. Cliquez ici pour donner votre avis.

Même marque

 €
Qté
Référence
Total
Total () : 0,00 €
Réinitialiser
Point(s)
Ajouter au panier